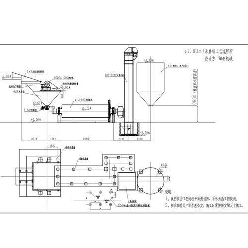
1.83 x 7 meters of second-hand ball mill process flow diagram
Consultation used ball mill,used crusher,NE elevator,old ball millfind Shandong Linyi Kuntai Machinery Equipment Co., Ltd
Copyright ? 2015 Shandong Linyi Kuntai Machinery Equipment Co., Ltd sitemap
Contact: Manager Chen Tel: 0539-8769229 Fax: 0539-8769229 Mobile: 13583992199 \ 13562968979
Addr: Linyi City, Shandong Province Economic Development Zone Sesame Street Office